Oloa
12KV fa'atū i fafo pou fa'apipi'i va'ava'a
  • 12KV fa'atū i fafo pou fa'apipi'i va'ava'a12KV fa'atū i fafo pou fa'apipi'i va'ava'a
  • 12KV fa'atū i fafo pou fa'apipi'i va'ava'a12KV fa'atū i fafo pou fa'apipi'i va'ava'a
  • 12KV fa'atū i fafo pou fa'apipi'i va'ava'a12KV fa'atū i fafo pou fa'apipi'i va'ava'a

12KV fa'atū i fafo pou fa'apipi'i va'ava'a

Model:ZW20-12F
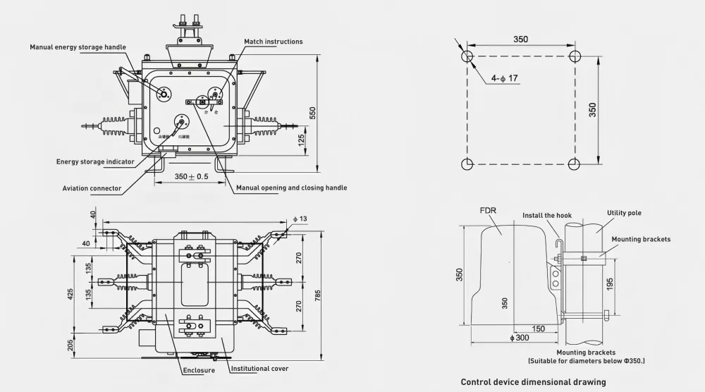
O le Anqiang Power o se gaosi Saina o le 12kV i fafo pou fa'apipi'i va'ava'a. O lenei mea fa'apipi'i fa'apipi'i i fafo o lo'o fa'apipi'iina le eletise o lo'o i ai le voltage fa'atatau o le 12kV ma fa'agaoioi ile tolu-vaega AC 50Hz. O lo'o fa'aalia ai le lelei tele o le toe fa'aogaina pe a fa'aogaina ma se fa'atonu, fa'amalieina mana'oga o faiga fa'aautomatika tufatufaina. E masani ona faʻaaogaina mo le faʻaogaina ma le tapeina o le uta ma le vaʻa puʻupuʻu i le 10kV eletise, ma e faʻaaogaina i fale afi ma fale gaosi oloa ma faʻatauga faʻapisinisi.

O le ZW20-12F 12KV i fafo o lo'o fa'apipi'iina le va'a ta'avale na gaosia e Anqiang e tu'ufa'atasia lelei galuega a le vacuum circuit breaker, recloser, ma sectionalizer.  O ana mea faigaluega e fa'aogaina ai le kesi-fa'amaufa'ailoga, fa'alavelave-pa, ma fa'alumaina fausaga fa'atekonolosi a Toshiba's VSP5. Ua fa'aleleia atili fo'i le fa'aulufale mai ma le alu i fafo mo le fa'amauina lelei. O le tautotogo faagaoioia masini ua miniaturized, ma o le matagaluega autu e maualalo fesootaiga tetee. O le mea lea, o lenei va'a eletise maualuga i fafo o se oloa e leai se tausiga ma se filifiliga sili mo va'a fa'apipi'i fa'amau.

Ata o oloa moni

12KV Outdoor Pole Mounted Circuit Breaker

Ata fua o oloa

12KV Outdoor Pole Mounted Circuit Breaker

Vaega Fa'atekinisi

Poloketi

Fa'atatauga

Voli fa'atatau

12kV

Fa'atatau taimi

50Hz

Fa'atatau i le taimi nei

630/1000 A

Fa'atatauina le la'au fa'ato'a va'ava'a

20/25 kA

Fa'atatau maualuga e tetee atu i le taimi nei

50/63 kA

Fa'atatauina taimi pu'upu'u e tetee atu i le taimi nei

20/25 kA

Fa'avasegaina fa'aa'au fa'a'a'ai pu'upu'u

50/63 kA

Fa'ailoga fa'asologa o galuega

Tatala - 0.3 sekone - Tapuni - 180 sekone - Tatala - Tapuni

Soifua fa'ainisinia

10,000 taimi

Fa'ailoga ta'amilosaga ta'amilosaga o lo'o iai nei

10,000 taimi

Fa'atatauina le malosi e motu ai le va'aiga pu'upu'u

30 taimi

SF6 kasa fuaina mamafa

0Mpa


Tulaga Lelei

O lenei 12kV pou i fafo o lo'o fa'apipi'iina le va'a ta'avale e fa'aalia ai le puipuiga ova ma se fa'ailoga e teu ai le malosi o le puna.  O lo'o fa'apipi'iina fo'i ma se feso'ota'iga va'alele mo feso'ota'iga eletise lona lua, fa'afaigofie le tu'ufa'atasia ma fa'atonu atamai. O lona fa'aogaina lelei o le eletise ma le fa'ainisinia e fa'aoga lautele ai le vacuum circuit breaker fa'apipi'i i fafo ZW20-12F.


Fa'ailoga vevela: 12KV i fafo pou fa'apipi'i va'ava'a, va'ava'a fa'aeletise i fafo, va'ava'a va'ava'a eletise maualuga.
Auina atu Su'esu'ega
Fa'amatalaga Fa'afeso'ota'i
  • tuatusi

    Jinlu Industrial Zone, Beibaixiang Town, Yueqing City, Wenzhou City, Zhejiang Province, Saina

  • Tel

Mo fa'amatalaga e uiga ile Circuit Breaker, Load Switch, Disconnect Switch po'o le lisi o tau, fa'amolemole tu'u mai lau imeli ia matou ma o le a matou feso'ota'i i totonu ole 24 itula.
X
Matou te fa'aogaina kuki e ofo atu ai ia te oe se su'esu'ega sili atu, au'ili'ili fefa'ataua'iga i luga ole laiga ma fa'avasega mea e aofia ai. I le fa'aogaina o lenei 'upega tafa'ilagi, e te ioe i le matou fa'aogaina o kuki. Faiga Fa'alilolilo
Teena Talia